| Status de disponibilidade: | |
|---|---|
Tipo de modo ZHC
Capacitor de cerâmica de alta tensão
Características:
A tensão nominal ur é superior a 10kv.dc.
Tamanho da SAMLL e tensão de alta resistência dielétrica
Revestido com resina epóxi retardante da chama.
Baixo fator de dissipação e excelentes características de frequência.
Esse tipo de capacitores é composto principalmente por CT81. Tipo de chumbo radial CC81, HFC, Tipo de molde ZHC e capacitores de rede de alta tensão HPC.
Aplicações:
Fontes de alimentação DC de alta tensão, como lasers, aparelhos de raio -x, filmes de ar, etc.
Usado nos circuitos de foco para exibição de cores, tornando a imagem melhor de tela inteira.
Usado nas máquinas de revestimento eletrostático.
Especificação:
Faixa de temperatura | Condição de teste | ||
-25 ℃ ~+85 ℃ | temperatura | tensão | freqüência |
20 ± 2 ℃ | 1,0 ± 0,2V | 1 kHz ou 1 MHz | |
Tensão nominal (UR): 10-40KV.DC
Capacitância nominal: 1-10000pf
Tolerância: j: ± 5%; K ; ± 10%; M: ± 20%
Temp. Char.: BN, B, R, D, E, F, SL, YL.
Fator de dissipação: BN≤0,5% R, D≤0,2%
B, E, F≤2,5% (1kHz)
SL, YL≤0,15% (1MHz)
Resistência ao isolamento: 10000m Ω min.
Tensão de teste: 1.5ur
HFC Focus Type:
Esses tipos de capacitores são compostos principalmente de HFC-11 e HFC-12 do tipo.
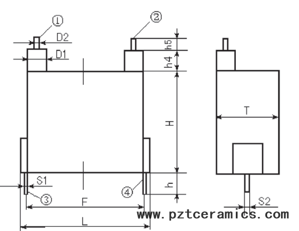
Dimensão da aparência e desenho esquemático
Código No. | L ± 1,0 | H ± 1,0 | F ± 1,0 | T ± 1,0 | D1 Φ ± 0,5 | D2 Φ ± 0,1 | H1 ± 0,5 | H2 ± 0,5 | H3 ± 0,5 | H4 ± 0,5 | H5 ± 0,5 | H6 ± 1,0 | S1 ± 0,1 | S2 ± 0,1 | d Φ ± 0,1
|
HFC-11-15KV-102K | 27.0 | 38.0 | 18.0 | 14.5 | 5.8 | 3.2 | 4.5 | 2.8 | 1.7 | 10.0 | 600 (480) | 9.0 | 1.0 | ||
HFC-12-15KV-102K | 34.0 | 27.0 | 31.0 | 18.0 | 6.4 | 2.35 | 4.5 | 8.0 | 3.3 | 0.7 | 1.75 |
| Código No. | Dimensão da aparência | Desenho esquemático |
| HFC-11 | ![]() | ![]() |
| HFC-12 | ![]() | ![]() |
Contato:
E-mail: sales@pztceramics.com
violet.shan@pztceramics.com
Tel.: +86 131 6536 1320
Web: www.pztceramics.com
Capacitor de cerâmica de alta tensão
Características:
A tensão nominal ur é superior a 10kv.dc.
Tamanho da SAMLL e tensão de alta resistência dielétrica
Revestido com resina epóxi retardante da chama.
Baixo fator de dissipação e excelentes características de frequência.
Esse tipo de capacitores é composto principalmente por CT81. Tipo de chumbo radial CC81, HFC, Tipo de molde ZHC e capacitores de rede de alta tensão HPC.
Aplicações:
Fontes de alimentação DC de alta tensão, como lasers, aparelhos de raio -x, filmes de ar, etc.
Usado nos circuitos de foco para exibição de cores, tornando a imagem melhor de tela inteira.
Usado nas máquinas de revestimento eletrostático.
Especificação:
Faixa de temperatura | Condição de teste | ||
-25 ℃ ~+85 ℃ | temperatura | tensão | freqüência |
20 ± 2 ℃ | 1,0 ± 0,2V | 1 kHz ou 1 MHz | |
Tensão nominal (UR): 10-40KV.DC
Capacitância nominal: 1-10000pf
Tolerância: j: ± 5%; K ; ± 10%; M: ± 20%
Temp. Char.: BN, B, R, D, E, F, SL, YL.
Fator de dissipação: BN≤0,5% R, D≤0,2%
B, E, F≤2,5% (1kHz)
SL, YL≤0,15% (1MHz)
Resistência ao isolamento: 10000m Ω min.
Tensão de teste: 1.5ur
HFC Focus Type:
Esses tipos de capacitores são compostos principalmente de HFC-11 e HFC-12 do tipo.
Dimensão da aparência e desenho esquemático
Código No. | L ± 1,0 | H ± 1,0 | F ± 1,0 | T ± 1,0 | D1 Φ ± 0,5 | D2 Φ ± 0,1 | H1 ± 0,5 | H2 ± 0,5 | H3 ± 0,5 | H4 ± 0,5 | H5 ± 0,5 | H6 ± 1,0 | S1 ± 0,1 | S2 ± 0,1 | d Φ ± 0,1
|
HFC-11-15KV-102K | 27.0 | 38.0 | 18.0 | 14.5 | 5.8 | 3.2 | 4.5 | 2.8 | 1.7 | 10.0 | 600 (480) | 9.0 | 1.0 | ||
HFC-12-15KV-102K | 34.0 | 27.0 | 31.0 | 18.0 | 6.4 | 2.35 | 4.5 | 8.0 | 3.3 | 0.7 | 1.75 |
| Código No. | Dimensão da aparência | Desenho esquemático |
| HFC-11 | ![]() | ![]() |
| HFC-12 | ![]() | ![]() |
Contato:
E-mail: sales@pztceramics.com
violet.shan@pztceramics.com
Tel.: +86 131 6536 1320
Web: www.pztceramics.com